减速箱体工艺及钻6-M5孔夹具设计【版本2】.rar
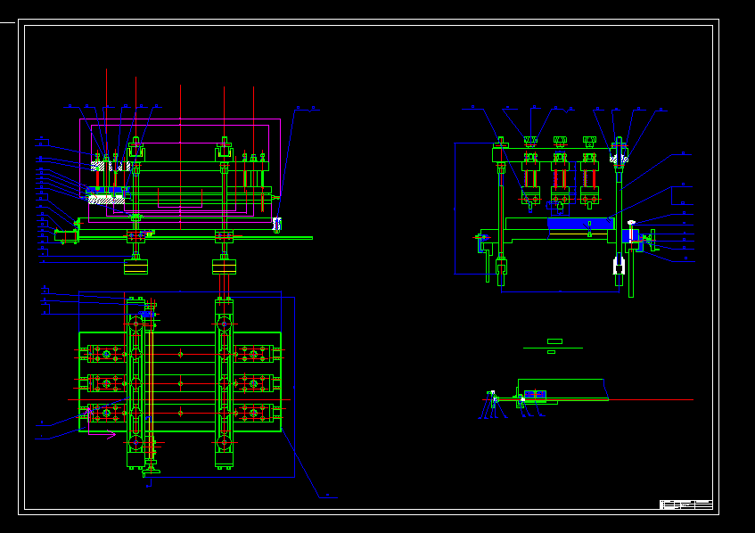
产品型号 零件图号机械加工工序卡片产品名称 减速箱体 零件名称 减速箱体 共 页 第 1 页车间 工序号 工序名称 材 料 牌 号 1 铣 HT25毛 坯 种 类 毛坯外形尺寸 每毛坯可制件数 每 台 件 数铸件 160 x140 x174 1设备名称 设备型号 设备编号 同时加工件数铣床 X51夹具编号 夹具名称 切削液专用夹具工序工时(分)工位器具编号 工位器具名称准终 单件主轴转速 切削速度 进给量 切削深度 工步工时 工步号工 步 内 容 工 艺 装 备r/min m/min mm/r mm进给次数机动 辅助1 铣底端面 180170 专用夹具,游标卡尺 1200 131.88 2 1.8 1 0.4 设 计(日 期)校 对(日期)审 核(日期)标准化(日期)会 签(日期)标记 处数 更改文件号 签 字 日 期 标记 处数 更改文件号 签 字 日 期产品型号 零件图号机械加工工序卡片产品名称 减速箱体 零件名称 减速箱体 共 页 第 1 页车间 工序号 工序名称 材 料 牌 号 1 钻 HT25毛 坯 种 类 毛坯外形尺寸 每毛坯可制件数 每 台 件 数铸件 160 x140 x174 1设备名称 设备型号 设备编号 同时加工件数钻床 Z525夹具编号 夹具名称 切削液专用夹具工序工时(分)工位器具编号 工位器具名称准终 单件主轴转速 切削速度 进给量 切削深度 工步工时 工步号工 步 内 容 工 艺 装 备r/min m/min mm/r mm进给次数机动 辅助1 钻 6-9的孔,锪孔14 专用夹具,游标卡尺 1450 31.87 0.13 0.1 1 0.02 设 计(日 期)校 对(日期)审 核(日期)标准化(日期)会 签(日期)标记 处数 更改文件号 签 字 日 期 标记 处数 更改文件号 签 字 日 期产品型号 零件图号机械加工工序卡片产品名称 减速箱体 零件名称 减速箱体 共 页 第 1 页车间 工序号 工序名称 材 料 牌 号 1 铣 HT25毛 坯 种 类 毛坯外形尺寸 每毛坯可制件数 每 台 件 数铸件 160 x140 x174 1设备名称 设备型号 设备编号 同时加工件数铣床 X51夹具编号 夹具名称 切削液专用夹具工序工时(分)工位器具编号 工位器具名称准终 单件主轴转速 切削速度 进给量 切削深度 工步工时 工步号工 步 内 容 工
收藏
编号:151792
类型:共享资源
大小:1.35MB
格式:RAR
上传时间:2025-01-03
20
金币
- 关 键 词:
-
版本2
减速
箱体
工艺
m5
夹具
设计
版本
- 资源描述:
-
产品型号 零件图号机械加工工序卡片产品名称 减速箱体 零件名称 减速箱体 共 页 第 1 页车间 工序号 工序名称 材 料 牌 号 1 铣 HT25毛 坯 种 类 毛坯外形尺寸 每毛坯可制件数 每 台 件 数铸件 160 x140 x174 1设备名称 设备型号 设备编号 同时加工件数铣床 X51夹具编号 夹具名称 切削液专用夹具工序工时(分)工位器具编号 工位器具名称准终 单件主轴转速 切削速度 进给量 切削深度 工步工时 工步号工 步 内 容 工 艺 装 备r/min m/min mm/r mm进给次数机动 辅助1 铣底端面 180170 专用夹具,游标卡尺 1200 131.88 2 1.8 1 0.4 设 计(日 期)校 对(日期)审 核(日期)标准化(日期)会 签(日期)标记 处数 更改文件号 签 字 日 期 标记 处数 更改文件号 签 字 日 期产品型号 零件图号机械加工工序卡片产品名称 减速箱体 零件名称 减速箱体 共 页 第 1 页车间 工序号 工序名称 材 料 牌 号 1 钻 HT25毛 坯 种 类 毛坯外形尺寸 每毛坯可制件数 每 台 件 数铸件 160 x140 x174 1设备名称 设备型号 设备编号 同时加工件数钻床 Z525夹具编号 夹具名称 切削液专用夹具工序工时(分)工位器具编号 工位器具名称准终 单件主轴转速 切削速度 进给量 切削深度 工步工时 工步号工 步 内 容 工 艺 装 备r/min m/min mm/r mm进给次数机动 辅助1 钻 6-9的孔,锪孔14 专用夹具,游标卡尺 1450 31.87 0.13 0.1 1 0.02 设 计(日 期)校 对(日期)审 核(日期)标准化(日期)会 签(日期)标记 处数 更改文件号 签 字 日 期 标记 处数 更改文件号 签 字 日 期产品型号 零件图号机械加工工序卡片产品名称 减速箱体 零件名称 减速箱体 共 页 第 1 页车间 工序号 工序名称 材 料 牌 号 1 铣 HT25毛 坯 种 类 毛坯外形尺寸 每毛坯可制件数 每 台 件 数铸件 160 x140 x174 1设备名称 设备型号 设备编号 同时加工件数铣床 X51夹具编号 夹具名称 切削液专用夹具工序工时(分)工位器具编号 工位器具名称准终 单件主轴转速 切削速度 进给量 切削深度 工步工时 工步号工 步 内 容 工
展开阅读全文

知享网所有资源均是用户自行上传分享,仅供网友学习交流,未经上传用户书面授权,请勿作他用。